SMP
SMP
主要技术特性
| 电气性能 | 材料及机械性能 | |||||
|---|---|---|---|---|---|---|
| 特性阻抗 | 50Ω | 内导体 | 插针 | 锡青铜 | 镀金 | |
| 频率范围 | DC~26.5GHz | 插孔 | 铍青铜 | 镀金 | ||
| 额定电压 | 335V rms | 壳体及其他金属件 | 黄铜/不锈钢 | 镀金/钝化 | ||
| 介质耐压 | 500V rms | 弹性件 | 铍青铜 | 镀金 | ||
| 电压驻波比 | ≤1.10 | DC~3GHz | 绝缘介质 | 光孔 | PTFE | |
| ≤1.15 | 3GHz~6GHz | 啮合力和分离力 | 半擒纵 | 9N max | 2.2N | |
| ≤1.30 | 6GHz~26.5GHz | 全擒纵 | 45N max | 9N min | ||
| 接触电阻 | ≤6.0mΩ | 中心接触件 | 光孔 | 68N max | 22N min | |
| ≤2.0mΩ | 外接触件 | 耐久性 | 半擒纵 | 1000次 | ||
| 绝缘电阻 | ≥5000MΩ | 全擒纵 | 500次 | |||
| 插入损耗 | ≤0.05√f(GHz)dB | 100次 | ||||
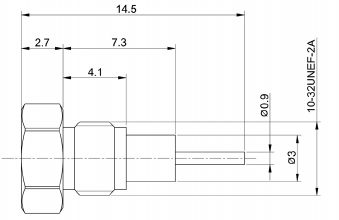
具体型号
![]() |
![]() |
| 产品型号 | 适配电缆 | 备注 |
|---|---|---|
| SMP-JYDG-F/L/S |








