SMA
SMA
SMA-KFD(5) 更多产品
- · TNC/SMA
- · N/SMA
- · SMA-KKY
- · SMA-KKF
- · SMA-JKF
- · SMA-JKW
- · SMA-KK
- · SMA-JK
- · SMA(M)
- · SMA-KWHD
- · SMA-KHD
- · SMA-JWHD
- · SMA-JHD
- · SMA-KYD
- · SMA-KWFD
- · SMA-KFD(8)
- · SMA-KFD(7)
- · SMA-KFD(6)
- · SMA-KFD(5)
- · SMA-KFD(4)
- · SMA-KFD(3)
- · SMA-KFD(2)
- · SMA-KFD(1)
- · SMA-JWFD
- · SMA-JFD
- · SMA-KY
- · SMA-KF
- · SMA-K
- · SMA-JW
- · SMA-J
主要技术特性
| 电气性能 | 材料及机械性能 | |||||
|---|---|---|---|---|---|---|
| 特性阻抗 | 50Ω | 内导体 | 插针 | 黄铜 | 镀金 | |
| 频率范围 | DC~18GHz | 插孔 | 铍青铜 | 镀金 | ||
| 额定电压 | 335V rms | 壳体及其他金属件 | 黄铜/不锈钢 | 镀金/钝化 | ||
| 介质耐压 | 1000V rms | 弹性件 | 铍青铜 | 镀金 | ||
| 电压驻波比 | ≤1.05+0.1f(GHz) | 绝缘介质 | PTFE或LCP | |||
| ≤1.05+0.08f(GHz) | 配半柔、半刚电缆中心 | 密封圈 | 硅橡胶 | |||
| 接触电阻 | ≤3mΩ | 中心接触件 | 温度范围 | -65℃ ~+165℃ | ||
| ≤2mΩ | 外接触件 | 耐久性 | 500次 | |||
| 绝缘电阻 | ≥5000MΩ | |||||
| 插入损耗 | ≤0.06√f(GHz)dB | |||||
具体型号
![]() |
![]() |
| 产品型号 | L1 | L2 | L | d |
|---|---|---|---|---|
| SMA-KFD91 | 1.6 | 13.1 | 24.2 | 1.3 |
| SMA-KFD101 | 15 | 3.0 | 27.5 | 1.3 |
| SMA-KFD103 | 7.5 | 2.0 | 19 | 1.4 |
![]() |
![]() |
| 产品型号 | d | D | h | 适配插针(直径) |
|---|---|---|---|---|
| SMA-KFD92 | 0.9 | * | 12.2 | 0.9~0.93 |
| SMA-KFD113 | 0.4 | * | 10.2 | 0.3~0.35 |
| SMA-KFD191 | 0.8 | * | 10.2 | 0.8~0.83 |
| SMA-KFD192 | 0.8 | * | 12.2 | 0.8~0.83 |
| SMA-KFD209 | 0.4 | * | 10.2 | 0.35~0.40 |
![]() |
![]() |
| 产品型号 | d | D | 适配插针(直径) |
|---|---|---|---|
| SMA-KFD93 | 0.9 | * | 0.9~0.93 |
| SMA-KFD276 | 0.8 | * | 0.78~0.80 |
| SMA-KFD280 | 0.5 | * | 0.45~0.48 |
![]() |
![]() |
| 产品型号 | 适配电缆 | 备注 |
|---|---|---|
| SMA-KFD98 | |
![]() |
![]() |
| 产品型号 | 适配电缆 | 备注 |
|---|---|---|
| SMA-KFD100 | |
![]() |
![]() |
| 产品型号 | L1 | L2 | L | d1 | h |
|---|---|---|---|---|---|
| SMA-KFD102AG | 5.0 | 3.0 | 17.5 | 1.3 | 10.2 |
| SMA-KFD314 | 4.0 | 5.6 | 19.1 | 0.7 | 12.2 |
| SMA-KFD315 | 3.0 | 1.5 | 14 | 1.3 | 12.2 |
![]() |
![]() |
| 产品型号 | 适配电缆 | 备注 |
|---|---|---|
| SMA-KFD108 | |
![]() |
![]() |
| 产品型号 | 适配电缆 | 备注 |
|---|---|---|
| SMA-KFD133G | |
![]() |
![]() |
| 产品型号 | 适配电缆 | 备注 |
|---|---|---|
| SMA-KFD140 | |
![]() |
![]() |
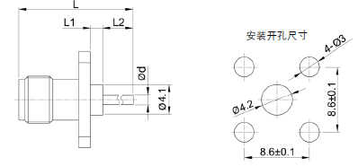
| 产品型号 | L1 | L2 | L | d1 | d2 | D |
|---|---|---|---|---|---|---|
| SMA-KFD142 | 3.0 | 3.0 | 17.0 | 1.3 | 4.1 | 4.2 |
| SMA-KFD143 | 12.2 | 4.0 | 25.7 | 1.3 | 3.0 | 3.1 |
| SMA-KFD147G | 3.2 | 2.0 | 14.7 | 1.3 | 4.1 | 4.2 |
| SMA-KFD150 | 15.0 | 3.0 | 27.5 | 1.3 | 4.1 | 4.2 |
| SMA-KFD157 | 20.0 | 5.0 | 34.5 | 1.3 | 4.1 | 4.2 |
| SMA-KFD267 | 10.5 | 7.0 | 27.7 | 0.8 | 2.6 | 2.7 |
| SMA-KFD274 | 2.0 | 2.5 | 14.0 | 1.3 | 4.1 | 4.2 |
| SMA-KFD280 | 3.0 | 3.0 | 15.5 | 1.0 | 4.1 | 4.2 |
![]() |
![]() |
| 产品型号 | 适配电缆 | 备注 |
|---|---|---|
| SMA-KFD144 | |
![]() |
![]() |
| 产品型号 | L1 | L2 | L |
|---|---|---|---|
| SMA-KFD145 | 3.0 | 2.5 | 15.0 |
| SMA-KFD129 | 4.0 | 2.0 | 15.6 |
| SMA-KFD251 | 5.0 | 2.5 | 17.0 |
| SMA-KFD270G | 4.0 | 2.5 | 16.0 |
| SMA-KFD297 | 5.0 | 3.0 | 17.6 |






























