N
N
N-KF 更多产品
主要技术特性
| 电气性能 | 材料及机械性能 | |||||
|---|---|---|---|---|---|---|
| 特性阻抗 | 50Ω | 内导体 | 插针 | 黄铜 | 镀金 | |
| 频率范围 | DC~18GHz | 插孔 | 铍青铜 | 镀金 | ||
| 额定电压 | 500V rms | 壳体及其他金属件 | 黄铜/不锈钢 | 镀镍/钝化 | ||
| 介质耐压 | 2000V rms | 弹性件 | 铍青铜 | 镀镍/钝化 | ||
| 电压驻波比 | ≤1.05+0.008f(GHz) | 绝缘介质 | PTFE | |||
| 接触电阻 | ≤1.0mΩ | 中心接触件 | 密封圈 | 硅橡胶 | ||
| ≤0.25mΩ | 外接触件 | 温度范围 | -65℃ ~+165℃ | |||
| 绝缘电阻 | ≥5000MΩ | 耐久性 | 500次 | |||
| 插入损耗 | ≤0.05√f(GHz)dB | |||||
具体型号
![]() |
![]() |
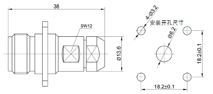
| 产品型号 | 适配电缆 | 备注 |
|---|---|---|
| N-KF201 | SFT-50-2-51 | |
| N-KF302 | SFT-50-3-51 |
![]() |
![]() |
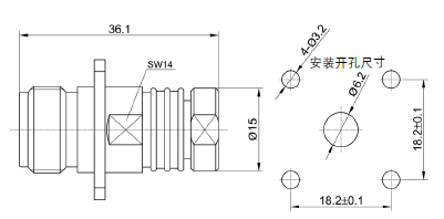
| 产品型号 | 适配电缆 | 备注 |
|---|---|---|
| N-KF304 | SFGJ-50-3-51 | |
| N-KF401 | SemfLex HP 190S | |
| N-KF406 | SFCJ-50-4-51 |
![]() |
![]() |
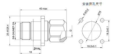
| 产品型号 | 适配电缆 | 备注 |
|---|---|---|
| N-KF502 | SFCJ-50-5-52 | |
| N-KF504 | GNB470 |
![]() |
![]() |
| 产品型号 | 适配电缆 | 备注 |
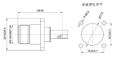
|---|---|---|
| N-KF506 | Maxflex 250 | |
![]() |
![]() |
| 产品型号 | 适配电缆 | 备注 |
|---|---|---|
| N-KF601 | Semflex AL290 | |
| N-KF602 | Semflex | |
| N-KF606 | HP305S | |
| N-KF702 | SFCJ-50-6-51 |
![]() |
![]() |
| 产品型号 | 适配电缆 | 备注 |
|---|---|---|
| N-KF202 | SFF-50-2-51 | |
| N-KF303 | SFF-50-3-51 | |
| N-KF406 | GNS 520 |
![]() |
![]() |
| 产品型号 | 适配电缆 | 备注 |
|---|---|---|
| N-KF202Y | SFF-50-2-51 | 压接 |
| N-KF303Y | SFF-50-3-51 | 压接 |




















