TNC
TNC
主要技术特性
| 电气性能 | 材料及机械性能 | |||||
|---|---|---|---|---|---|---|
| 特性阻抗 | 50Ω | 内导体 | 插针 | 黄铜 | 镀金 | |
| 频率范围 | DC~11GHz | 插孔 | 铍青铜 | 镀金 | ||
| 额定电压 | 500V rms | 壳体及其他金属件 | 黄铜/不锈钢 | 镀镍/钝化 | ||
| 介质耐压 | 1500V rms | 弹性件 | 铍青铜 | 镀镍/钝化 | ||
| 电压驻波比 | ≤1.3 | 绝缘介质 | PTFE | |||
| 接触电阻 | ≤2.0mΩ | 中心接触件 | 密封圈 | 硅橡胶 | ||
| ≤1.0mΩ | 外接触件 | 温度范围 | -65℃ ~+165℃ | |||
| 绝缘电阻 | ≥5000MΩ | 耐久性 | 500次 | |||
| 插入损耗 | ≤0.05√f(GHz)dB | |||||
具体型号
![]() |
![]() |
| 产品型号 | 适配电缆 | 备注 |
|---|---|---|
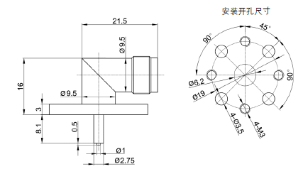
| TNC-KWFD5 |
![]() |
![]() |
| 产品型号 | 适配电缆 | 备注 |
|---|---|---|
| TNC-KWFD6 |
![]() |
![]() |
| 产品型号 | 适配电缆 | 备注 |
|---|---|---|
| TNC-KWFD7 |












